Skip to content

Connector Pin Position Detection

Project Introduction

Project Background

Automotive connectors have complex shapes, with some PINs surrounded by the housing. The PINs are extremely small with fine tips and have high reflectivity, making detection difficult. Inspected PINs directly affect subsequent product assembly, potentially causing unstable connections, poor contact, or direct product failure during use.

Local Image

Camera Selection

LMI Laser Line Scan Camera Gocator2430

Detection Requirements

Measurement accuracy ≤ 0.02mm
Measurement repeatability ≤ 0.004mm
Measurement cycle ≤ 1s

Solution

AI-Vision uses the Pin Needle Matching integrated operator to output all Pin heights with one click and determine if they meet standards, reducing user difficulty while improving project runtime speed.

Design Concept

Local Image

Execution Result Display

  • Project result display:

    • Left part:

      Local Image

    • Right part:

      Local Image

      Local Image

  • HMI result display:

    Local Image

Project Process

I. Initialization

  1. Select Lua Script Language tool, initialize global variables, create CSV files to receive data.

Experience

.. Used for string concatenation

part1 = "Hello, "
part2 = "world!"
result = part1 .. part2
print(result) # Output: Hello, world!

, as separator to split each data item

lua
-- Generate string for concatenation
write = ""

-- Define CSV header content
csvHead = "Time,"
for i=1,196,1 do
    csvHead = csvHead .. "pin" .. i .. ","
end
csvHead = csvHead .. "\n"

-- Create file, script creates if doesn't exist on first run
if FileExists("./196pin_X.csv") == false then
    PrintToFile("./196pin_X.csv", csvHead)
end

-- Create y file
if FileExists("./196pin_Y.csv") == false then
    PrintToFile("./196pin_Y.csv", csvHead)
end

-- Create H file
if FileExists("./196pin_H.csv") == false then
    PrintToFile("./196pin_H.csv", csvHead)
end

-- Create SideX file
if FileExists("./196pin_SideX.csv") == false then
    PrintToFile("./196pin_SideX.csv", csvHead)
end

-- Create SideY file
if FileExists("./196pin_SideY.csv") == false then
    PrintToFile("./196pin_SideY.csv", csvHead)
end

-- Create SideH file
if FileExists("./196pin_SideH.csv") == false then
    PrintToFile("./196pin_SideH.csv", csvHead)
end

-- Create Result file
if FileExists("./196pin_Result.csv") == false then
    PrintToFile("./196pin_Result.csv", csvHead)
end
  1. Select Load Point Cloud tool to obtain point cloud.

  2. Select 3D Crop tool, copy point cloud to IM1 (IM0 remains unchanged for later use).

  3. Select 3D Transform tool, rotate point cloud by 90 degrees.

  4. Select 3D Crop tool, copy IM1 point cloud to IM3 for right part positioning and Pin needle measurement.

II. Preprocessing

Local Image

  1. Select Multi-point Positioning tool, select 4 boundary pin needles, calculate center position through 4 Pin needle positions, adjust point cloud XY position based on center position.

  2. Select 3D Region tool, select area according to site requirements, merge into a large area and output to register.

  3. Select 3D Plane tool, bind area output from 3D Region tool, fit plane.

III. Three Region Pin Needle Measurement

Local Image

  1. Select 3D Crop tool to copy IM3 point cloud to IM6: for right second part Pin needle measurement

Tip

When using parallel subroutine calls, each subroutine needs to be executed on different IMs.

  1. Select 3D Outlier Filter tool, remove noise around to-be-measured Pin needle area.

  2. Select 3D Square Probe tool, select middle row of pin needles, fit a line based on selected pin needle center coordinates.

Local Image

  1. Select 3D Position Adjustment tool, adjust point cloud XY position based on line output from previous step.

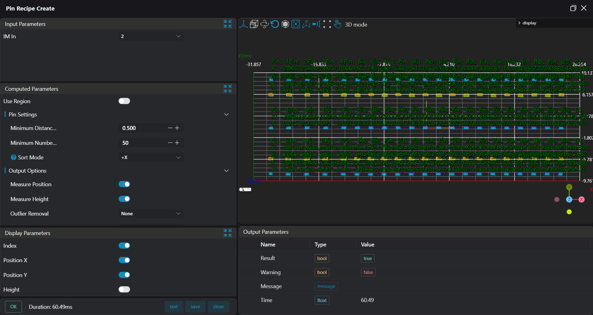
  2. Select Pin Needle Recipe Creation Tool, set box to select to-be-detected area Pin needles, set Pin needle parameters, output recipe file for current Pin needle area.

Local Image

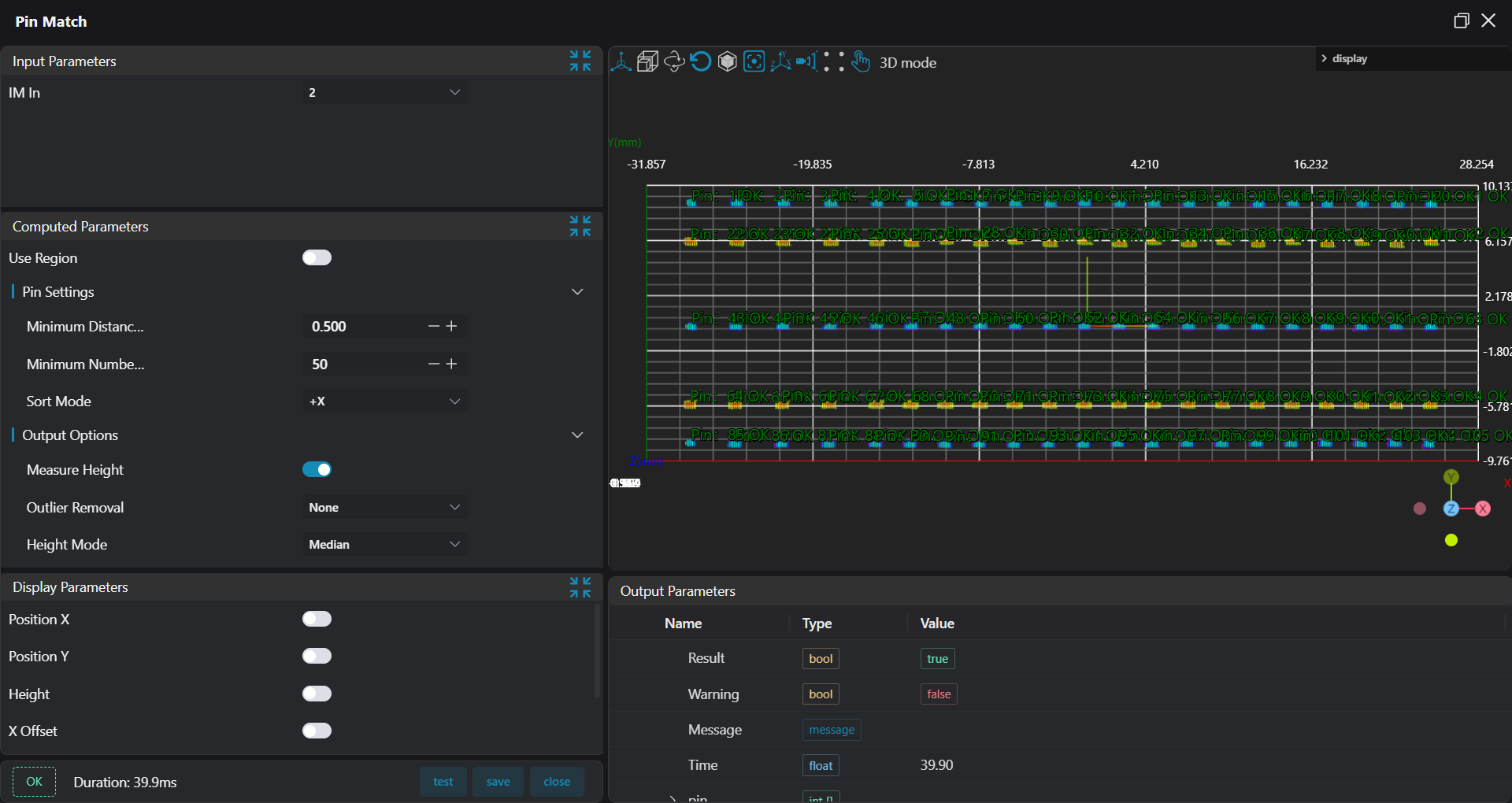
  1. Select Pin Needle Matching 2 tool, set box to select to-be-detected area Pin needles, set Pin needle parameters, set recipe comparison and select recipe file output from previous step.

Local Image

Right part processing logic is the same as left half part, refer to this section's process.

IV. Save Results to CSV and Database

Local Image

  1. Save data to CSV file: select Lua Script Language tool
  • Bind results variables from three Pin Needle Matching tools, bind global variable for determining CSV save

  • Edit Lua script, set seven variables respectively for concatenating position information, height information, Pin needle spacing information, measurement results.

  • Save results to CSV file

Experience

string.format is used for formatting strings %.nf formats floating-point numbers to n decimal places.

pi = 3.14159 str = string.format("Pi is approximately %.3f", pi) print(str) -- Output: Pi is approximately 3.141

lua
-- Save to CSV

-- Get current time
time = os.date("%Y_%m_%d %H:%M:%S") .. ","
write_x = time
write_y = time
write_h = time
write_sidex = time
write_sidey = time
write_sideh = time
write_result = time


-- Get data for pins 1-105
for i = 1, 105, 1 do
    -- Get data to save to CSV
    -- string.format already has "%f," format, no need to add "," separately
    write_x = write_x .. string.format("%.3f,", Pin_1_105.pin_position_x[i])
    write_y = write_y .. string.format("%.3f,", Pin_1_105.pin_position_y[i])
    write_h = write_h .. string.format("%.3f,", Pin_1_105.pin_position_height[i])
    write_sidex = write_sidex .. string.format("%.3f,", Pin_1_105.pin_position_side_x[i])
    write_sidey = write_sidey .. string.format("%.3f,", Pin_1_105.pin_position_side_y[i])
    write_sideh = write_sideh .. string.format("%.3f,", Pin_1_105.pin_position_side_height[i])
    write_result = write_result .. Pin_1_105.pin_result[i] .. ","
end


-- Get data for pins 106-111
for i = 1, 6, 1 do
    -- Get data to save to CSV
    write_x = write_x .. string.format("%.3f,", Pin_106_111.pin_position_x[i])
    write_y = write_y .. string.format("%.3f,", Pin_106_111.pin_position_y[i])
    write_h = write_h .. string.format("%.3f,", Pin_106_111.pin_position_height[i])
    write_sidex = write_sidex .. string.format("%.3f,", Pin_106_111.pin_position_side_x[i])
    write_sidey = write_sidey .. string.format("%.3f,", Pin_106_111.pin_position_side_y[i])
    write_sideh = write_sideh .. string.format("%.3f,", Pin_106_111.pin_position_side_height[i])
    write_result = write_result .. Pin_106_111.pin_result[i] .. ","
end

-- Get data for pins 112-196
for i = 1, 85, 1 do
    -- Get data to save to CSV
    write_x = write_x .. string.format("%.3f,", Pin_112_196.pin_position_x[i])
    write_y = write_y .. string.format("%.3f,", Pin_112_196.pin_position_y[i])
    write_h = write_h .. string.format("%.3f,", Pin_112_196.pin_position_height[i])
    write_sidex = write_sidex .. string.format("%.3f,", Pin_112_196.pin_position_side_x[i])
    write_sidey = write_sidey .. string.format("%.3f,", Pin_112_196.pin_position_side_y[i])
    write_sideh = write_sideh .. string.format("%.3f,", Pin_112_196.pin_position_side_height[i])
    write_result = write_result .. Pin_112_196.pin_result[i] .. ","
end

-- Save to CSV, add line break after each inspection
write_x = write_x 
write_y = write_y
write_h = write_h 
write_sidex = write_sidex 
write_sidey = write_sidey 
write_sideh = write_sideh
write_result = write_result

-- HMI controls whether to save CSV file
if isSaveCSV == 1 then
    WriteLineToFile("./196pin_X.csv", write_x)
    WriteLineToFile("./196pin_Y.csv", write_y)
    WriteLineToFile("./196pin_H.csv", write_h)
    WriteLineToFile("./196pin_SideX.csv", write_sidex)
    WriteLineToFile("./196pin_SideY.csv", write_sidey)
    WriteLineToFile("./196pin_SideH.csv", write_sideh)
    WriteLineToFile("./196pin_Result.csv", write_result)
end
  1. Save results for HMI display: select Lua Script Language tool
  • Bind result variables from three Pin Needle Matching tools

  • Create empty arrays for storing Pin needle height, OK/NG data, and all output data to database

  • Loop to get results from three Pin Needle Matching tools, save data to created empty arrays; save all data array to global variables for HMI display; write height data and OK/NG results to database

Experience

table.insert is a function in Lua used to insert elements into a table table.insert(table1, [pos,] value) table1: the table to insert elements into. pos (optional): insertion position. If not provided, the value is appended to the end of the table by default. value: the value to insert.

local table1 = {"w", "b"} table.insert(table1, "v") -- Insert "v" at the end print(table1) -- Output: ["w","b","v",] print(table1[1]) -- Output: w

lua
-- HMI display

-- Define method: check if array contains specified data.
function tableContains(tab, val)
    for index, value in ipairs(tab) do
        if value == val then
            return true
        end
    end
    return false
end

-- Define variable for database storage
local sqlData = {}
local dataResult = {}
local currentTable = {}

-- Get data for pins 1-105
for i = 1, 105, 1 do
    -- Save measurement variables for HMI display, which pins' data to take needs to be written based on actual conditions in if conditions
    if i % 21 == 0 or i % 21 == 1 then
        SetFloatVariable("value_h" .. tostring(i), Pin_1_105.pin_position_height[i])
        pinRecipe = GetRecipeSet(i - 1)
        local table1 = {}
        table1["PinIndex"] = "H" .. tostring(i)
        table1["PinHightStd"] = string.format("%.3f", pinRecipe.PinHight)
        table1["PinHightMax"] = pinRecipe.PinHightMax
        table1["PinHightMin"] = pinRecipe.PinHightMin * -1
        table1["PinHight"] = string.format("%.3f", Pin_1_105.pin_position_height[i])
        table1["result"] = Pin_1_105.pin_result[i]

        -- Insert data into array OK Height Currently all variables
        table.insert(dataResult, Pin_1_105.pin_result[i])
        table.insert(sqlData, Pin_1_105.pin_position_height[i])
        table.insert(currentTable, table1)
    end
end


-- Get data for pins 106-111
for i = 1, 6, 1 do
    SetFloatVariable("value_h" .. tostring(i + 105), Pin_106_111.pin_position_height[i])
    pinRecipe = GetRecipeSet(i + 105 - 1)
    local table1 = {}
    table1["PinIndex"] = "H" .. tostring(i + 105)
    table1["PinHightStd"] = string.format("%.3f", pinRecipe.PinHight)
    table1["PinHightMax"] = pinRecipe.PinHightMax
    table1["PinHightMin"] = pinRecipe.PinHightMin * -1
    table1["PinHight"] = string.format("%.3f", Pin_106_111.pin_position_height[i])
    table1["result"] = Pin_106_111.pin_result[i]

    table.insert(dataResult, Pin_106_111.pin_result[i])
    table.insert(sqlData, Pin_106_111.pin_position_height[i])
    table.insert(currentTable, table1)
end

-- Get data for pins 112-196
for i = 1, 85, 1 do
    -- Save measurement variables for HMI display
    if i % 17 == 0 or i % 17 == 1 then
        SetFloatVariable("value_h" .. tostring(i + 111), Pin_112_196.pin_position_height[i])
        pinRecipe = GetRecipeSet(i + 111 - 1)
        local table1 = {}
        table1["PinIndex"] = "H" .. tostring(i + 111)
        table1["PinHightStd"] = string.format("%.3f", pinRecipe.PinHight)
        table1["PinHightMax"] = pinRecipe.PinHightMax
        table1["PinHightMin"] = pinRecipe.PinHightMin * -1
        table1["PinHight"] = string.format("%.3f", Pin_112_196.pin_position_height[i])
        table1["result"] = Pin_112_196.pin_result[i]

        table.insert(dataResult, Pin_112_196.pin_result[i])
        table.insert(sqlData, Pin_112_196.pin_position_height[i])
        table.insert(currentTable, table1)
    end
end

-- Save real-time display data to HMI
-- println(ConvertTableToJson(currentTable))
SetStringVariable("alltable", ConvertTableToJson(currentTable))

-- Save database table headers
fileds = { "h1", "h21", "h22", "h42", "h43", "h63", "h64", "h84", "h85", "h105", "h106", "h107", "h108", "h109",
    "h110", "h111", "h112", "h128", "h129", "h145", "h146", "h162", "h163", "h179", "h180", "h196", "OKNG" }

-- Method set at script start: used to check if array contains this data
if tableContains(dataResult, "NG") then
    table.insert(sqlData, 0)
else
    table.insert(sqlData, 1)
end


-- Write data to database (height results)
WriteHmiData("196pin_H", fileds, sqlData)

Experience Summary

Core steps:

  1. Create recipe

  2. Match point cloud based on recipe and judge results

AI-Vision, Making 3D Measurement Easier